Skip to content Skip to sidebar Skip to footer

Sea Water Cooling System

Fresh And Salt Water Cooling System On A Ship Download Scientific Diagram

Fresh And Salt Water Cooling System On A Ship Download Scientific Diagram

Sea water cooling system. All residential fountains and indoor commercial fountains can operate at any stage of droughtOutdoor commercial fountains must have a SAWS variance in order. However it can contain impurities and cause corrosion. The seacock is a through-hull device that allows water to enter the hull from the outside.

Race-insipred ergonomics including industry-first adjustable rear saddle for locked in control and comfort. For over 65 years Graver Water has been manufacturing water and wastewater treatment equipment for utility industrial and municipal applications. Seawater is directly used in the machinery systems as a cooling media for heat exchangers.

The hose lining is resistant to pressure changes in temperatures hot water and chemicals. There are two cooling systems used onboard for the cooling purpose. The freshwater returning from the heat.

A fresh water closed loop system pumps warm water through the cooling station heat exchanger and distributes the cooled water among commercial residential and institutions for air conditioning. Let us help you with the installation service and repairs of add-on cooling reverse cycle air conditioners evaporative cooling split system air conditioners ducted heating systems ducted gas heating ducted reverse cycle heating split system heating space heaters hot water systems and electrical services. Stage 1 restrictions begin when the 10-day rolling average of the Edwards Aquifer level drops to 660 feet mean sea level at the monitored well.

Think Water Think Graver. Water cooling is a method of heat removal from components and industrial equipment. The hose cover is resistant to ozone and UV irradiation.

Since August 2004 a deep lake water cooling system has been operated by the Enwave Energy Corporation in Toronto Ontario. This allows a fast response to any change in temperature due to a change in engine load. Individual user purchases chilled water for their building from the district cooling system operator and do.

Were proud to call Hamina home and. The LT cooling water is then cooled in the sea water coolers.

Diagram Of Sea Water Cooling System 8 Download Scientific Diagram

Diagram Of Sea Water Cooling System 8 Download Scientific Diagram

General Overview Of Central Cooling System On Ships

General Overview Of Central Cooling System On Ships

Fresh Water Sea Water Cooling System For Marine Diesel Engine

Fresh Water Sea Water Cooling System For Marine Diesel Engine

Fresh Water Sea Water Cooling System Maintenance

Fresh Water Sea Water Cooling System Maintenance

How It Works

How It Works

Fresh Water Sea Water Cooling System For Marine Diesel Engine

Fresh Water Sea Water Cooling System For Marine Diesel Engine

Jmse Free Full Text Design Of Energy Saving Controllers For Central Cooling Water Systems Html

Jmse Free Full Text Design Of Energy Saving Controllers For Central Cooling Water Systems Html

Autonomous Ship Sea Water Central Cooling System Model Download Scientific Diagram

Autonomous Ship Sea Water Central Cooling System Model Download Scientific Diagram

Sea Water Cooling System Refinery Distillation

Sea Water Cooling System Refinery Distillation

Sea Water Pumps On A Ship Sea Chest Suction Filter Cleaning Procedures And Their Importance Bright Hub Engineering

Sea Water Pumps On A Ship Sea Chest Suction Filter Cleaning Procedures And Their Importance Bright Hub Engineering

Autonomous Ship Sea Water Central Cooling System Model Download Scientific Diagram

Autonomous Ship Sea Water Central Cooling System Model Download Scientific Diagram

General Overview Of Central Cooling System On Ships

General Overview Of Central Cooling System On Ships

Fresh Water Cooling System Marine Engineering Beyond Discovery

Fresh Water Cooling System Marine Engineering Beyond Discovery

Cooling System For Running Machinery On Board Cargo Ships

Cooling System For Running Machinery On Board Cargo Ships

2

2

Sea Water Air Conditioning Makai Ocean Engineering

Sea Water Air Conditioning Makai Ocean Engineering

This Is Sea Water Cooling System Conventional Can Chegg Com

This Is Sea Water Cooling System Conventional Can Chegg Com

How Does It Work

How Does It Work

2

2

Energy Efficiency Handbook Variable Frequency Drive For Cooling Energy Efficiency Handbook Toward Zero Emission Energy Efficiency Abb

Energy Efficiency Handbook Variable Frequency Drive For Cooling Energy Efficiency Handbook Toward Zero Emission Energy Efficiency Abb

Deep Seawater Air Conditioning System To Cool Honolulu

Deep Seawater Air Conditioning System To Cool Honolulu

General Overview Of Central Cooling System On Ships

General Overview Of Central Cooling System On Ships

Conventional Fresh Water Cooling System Explaned Marine Infosite

Conventional Fresh Water Cooling System Explaned Marine Infosite

1

1

Marine

Marine

Engine Cooling An Overview Sciencedirect Topics

Engine Cooling An Overview Sciencedirect Topics

Indirect Sea Water Cooling Offshoreteknikk

Indirect Sea Water Cooling Offshoreteknikk

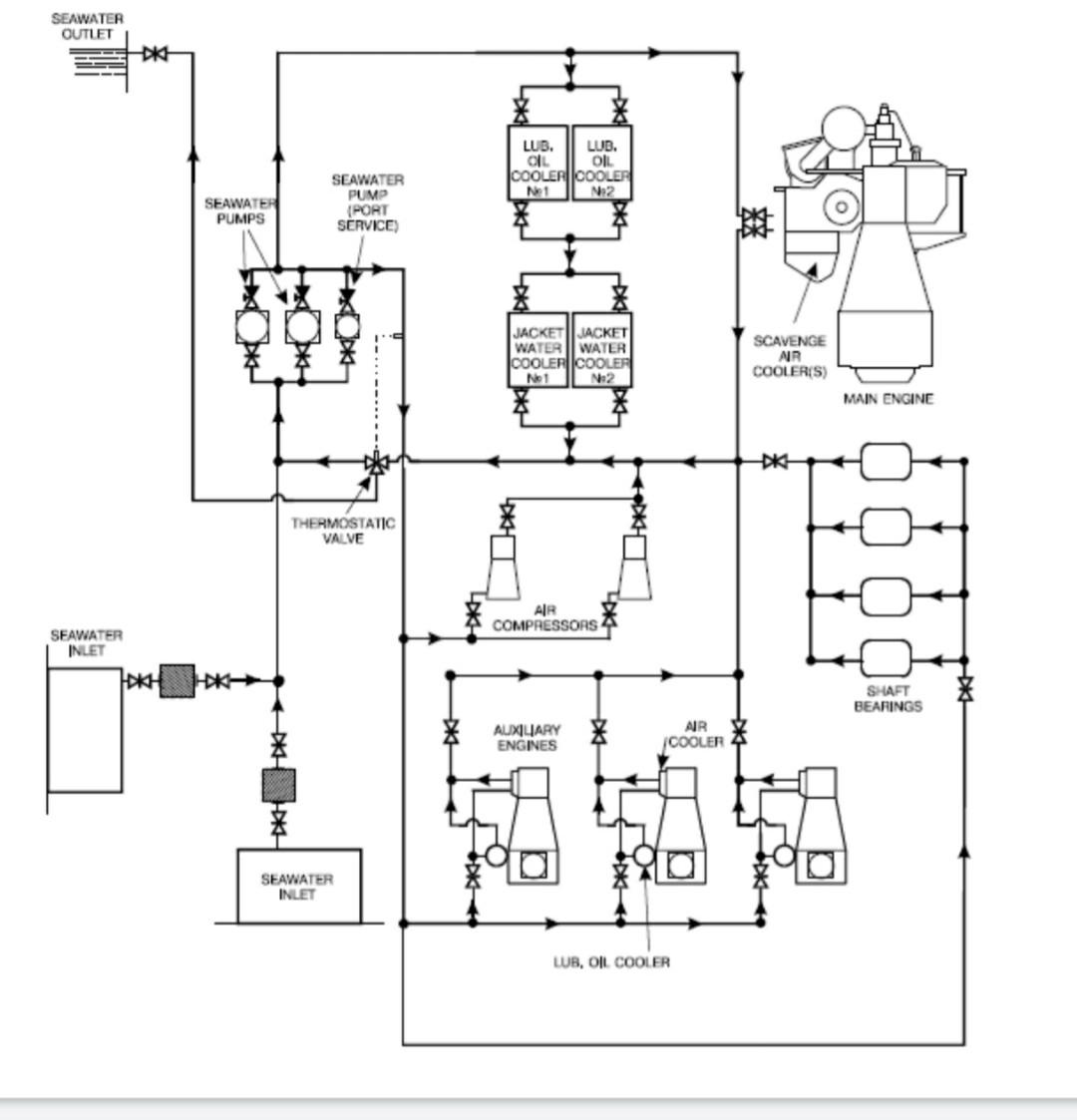
Submarine Main Propulsion Diesels Chapter 8

Submarine Main Propulsion Diesels Chapter 8

Water Cooled Engine Diagram Free Water Cooler Engineering Mechanic Engineering

Water Cooled Engine Diagram Free Water Cooler Engineering Mechanic Engineering

Marine Closed Cooling Systems

Marine Closed Cooling Systems

Effects Of Utilizing Seawater As A Cooling Source System In A Commercial Complex Sciencedirect

Effects Of Utilizing Seawater As A Cooling Source System In A Commercial Complex Sciencedirect

Keel Cooling

Keel Cooling

How It Works

How It Works

File Open Ic Engine Cooling System With Thermal Energy Recovery Ship Svg Wikipedia

File Open Ic Engine Cooling System With Thermal Energy Recovery Ship Svg Wikipedia

General Overview Of Central Cooling System On Ships

General Overview Of Central Cooling System On Ships

Marine Biofouling In Ports Wet Docks Acting As Hot

Marine Biofouling In Ports Wet Docks Acting As Hot

Mauritius Pitches Sea Cooled Data Centers Data Center Knowledge

Mauritius Pitches Sea Cooled Data Centers Data Center Knowledge

Marine Engine Raw Water Cooling System Mirto Art Studio

Marine Engine Raw Water Cooling System Mirto Art Studio

Pdf Toward A Reliable Sea Water Central Cooling System For A Safe Operation Of Autonomous Ship

Pdf Toward A Reliable Sea Water Central Cooling System For A Safe Operation Of Autonomous Ship

2

2

Sea Water Air Conditioning Makai Ocean Engineering

Sea Water Air Conditioning Makai Ocean Engineering

The Open Cooling Systems

The Open Cooling Systems

2

2

2

2

Seawater Lake Water Air Conditioning Swac Lwac

Seawater Lake Water Air Conditioning Swac Lwac

Cooling Systems

Cooling Systems

Figure 12 14 Salt Water Cooling System Gm 8 268 And 8 268a

Figure 12 14 Salt Water Cooling System Gm 8 268 And 8 268a

What Are The Fresh Water Cooling Systems For Boats Quora

What Are The Fresh Water Cooling Systems For Boats Quora

Engine Water Cooling System Diagram

Engine Water Cooling System Diagram

Basically a district cooling system DCS distributes cooling capacity in the form of chilled water or other medium from a central source to multiple buildings through a network of underground pipes for use in space and process cooling.

We guarantee your heating and cooling system will be delivered on time and on. Coming out of drought stages can be considered 15 days after the aquifer is above the trigger. Although water is the most commonly used cooling agent whereas special coolants having better and desired properties like corrosion-free higher boiling point etc. The water cooling system consists of water jackets water pump radiator thermostat valve fan belt and pulley etc. A fresh water closed loop system pumps warm water through the cooling station heat exchanger and distributes the cooled water among commercial residential and institutions for air conditioning. A heat exchanger cooling station transfers heat from the fresh water distribution loop resulting in cold water for air conditioning purposes. The usual arrangement uses individual coolers for lubricating oil jacket water and the piston cooling system each cooler being circulated by sea water. Think Water Think Graver. It draws water from Lake Ontario through tubes extending 5 kilometres 31 mi into the lake reaching to a depth of 83 metres 272 ft where the water is maintained at a constant 4C its temperature protected by a layer of water above it called a thermocline.


The system concept exploits the synergistic effect of atmospheric radiative cooling and self-removed dropwise condensation of atmospheric water. Water cooling is commonly used for cooling automobile internal combustion engines and power stationsWater coolers utilising convective heat. There are two cooling systems used onboard for the cooling purpose. While most boats have a raw water intake strainer installed as part of the cooling system for the inboard engine boat water intake strainers are also helpful when installed inline before deck washdowns galley. With seating for 9 theres plenty of room for friends and family to enjoy all the thrills and action out. Evaporative cooling using water is often more efficient than air coolingWater is inexpensive and non-toxic. A heat exchanger cooling station transfers heat from the fresh water distribution loop resulting in cold water for air conditioning purposes.

Post a Comment for "Sea Water Cooling System"